top of page
BMC PRO 827 LDB LTB
Grup Adı/Group Name :
Yakit sistemi / Fuel system
Komple Adı/Assy Name :
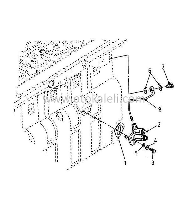
Yakıt otomatiği / Fuel lift pump
2K92420

SEKIL/FIG | PARCA KODU / PART CODE | PARCA ADI | PART NAME | MIKTAR / QTY. | ACIKLAMA / REMARK |
|---|---|---|---|---|---|
1 | 9P900351 | Conta | Gasket | 1 | |
1 | 9P901599 | Conta | Gasket | 1 | |
2 | 9P906835 | Yakıt otomatiği | Fuel lift pump | 1 | |
3 | SH108251 | Cıvata | Screw | 2 | |
4 | WA108051 | Düz rondela | Washer, plain | 2 | |
5 | WL108002 | Yaylı rondela | Washer, spring | 2 | |
6 | 9P901541 | Keçeli rondela | Washer seal | 2 | |
7 | 9P901634 | Cıvata, banjo | Bolt, banjo | 1 | |
8 | 9P900355 | Boru, otomatikten filtreye | Pipe,fuel supply | 1 |
Önceki Sayfa/ Previous Page
Sonraki Sayfa/ Next Page
Sayfa/Page
28
bottom of page