top of page
BMC PRO 827 ZCX ZHF
Grup Adı/Group Name :
Vites kutusu / Gearbox
Komple Adı/Assy Name :
Bağlantı parçaları. / Connection parts
57RS306015V

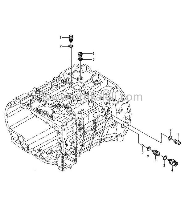
SEKIL/FIG | PARCA KODU / PART CODE | PARCA ADI | PART NAME | MIKTAR / QTY. | ACIKLAMA / REMARK |
|---|---|---|---|---|---|
1 | 9P913689 | Tutucu plancır | Detent plunger | 2 | |
2 | 9P919449 | Sızdırmazlık halkası | Sealing ring | 2 | |
3 | 9P900600 | Sızdırmazlık halkası | Sealing ring | 2 | |
4 | 9P909410 | Müşir | Switch | 1 | |
5 | 9P900741 | Bilya | Ball | 1 | |
6 | 9P900599 | Vidalı tapa | Screw plug | 1 | |
1-6 | 9P912509 | Bağlantı parçaları-KMPL. | Mounting parts-ASSY. | 1 |
Önceki Sayfa/ Previous Page
Sonraki Sayfa/ Next Page
Sayfa/Page
82
bottom of page